Онлайн заявка

Резервуары в Ижевске — производство и монтаж под ключ

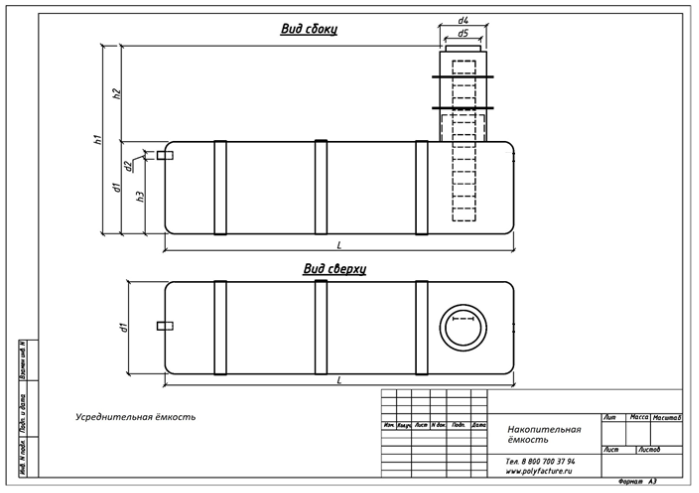
1. Габаритные размеры и комплектность:

Наименование параметра

Значение

Материал

Кол-во

1

Диаметр корпуса (мм)

Согласно схемы

ПНД

1

2

Длина корпуса (мм)

Согласно схемы

1

3

Диаметр входа/выхода (мм)

согласно схеме

согласно схеме

4

Высота колодца технического d1000(мм)

ПНД

согласно схеме

5

Крышка колодца

ПНД

согласно схеме

Резервуар монтируется исключительно подземно

Принципиальная схема и габаритные размеры оборудования:**

Таблица габаритных размеров**

Модель

Объем, м3

D1

L

D2

D3

D4

H1 (max)

H2

H3

H4

СПК-ПР 100

100

3000

14300

Нет

Нет

770

5200

2200

Нет

Нет

* величины определяются Заказчиком (проектом)

Комплектность единицы оборудования:

  • Резервуар (корпус ПНД) – 1 шт.
  • Горловина для обслуживания с крышкой d 580 – 1 шт.
  • Лестница для обслуживания несъемная – 1 шт.
  • Датчик переполнения с блоком оповещения;
  • Ложементы для монтажных работ – 2 шт.

** допуск на линейные размеры - +/- 30 мм

допуск угловые размеры - +/- 5о

допуск на эллиптичность - +/- 5% от диаметра

Фактическая длина (L) может отличаться от табличных значений в сторону увеличения не более чем на 120 мм за счет технологических крепежных и усиливающих элементов.

2. Разгрузка и установка резервуара: основные правила и требования

Процессы разгрузки, транспортировки и установки резервуара требуют применения подъемной техники, которая должна соответствовать грузоподъемности оборудования. Привлечение экскаваторов или другой техники, не предназначенной для подобных работ, строго запрещено.

Все сотрудники, задействованные в этих операциях, обязаны обладать необходимыми профессиональными навыками и иметь соответствующие допуски.

При выполнении разгрузки, погрузки или установки резервуара (например, в котлован) обязательно использование специального оборудования, известного как «паук». Это позволяет предотвратить повреждения корпуса резервуара. Длина «паука» должна составлять не менее 30% от общей длины резервуара.

Для работы с резервуаром допустимо применять только полимерные стропы шириной от 100 мм. Применение стальных строп категорически запрещено, так как это может повредить поверхность оборудования.

Важно помнить, что длительное (более одной недели) хранение резервуара на открытой площадке без укрытия или защиты от ультрафиолетовых лучей недопустимо. Если резервуар частично или полностью заполнен, его нельзя оставлять без обратной засыпки даже на короткий срок.

рис. Схема разгрузки с использованием «паука»

Все работы с резервуаром, выполняемые с применением подъемной техники, должны сопровождаться обязательной фото- и видеофиксацией. Это необходимо для подтверждения соответствия выполнения работ требованиям данного руководства. Материалы фиксации необходимо сохранять на протяжении всего срока эксплуатации изделия.

3. Руководство по монтажу резервуара

Важно!

Резервуар предназначен исключительно для подземного монтажа.
Запрещается устанавливать его на поверхности или проводить монтаж с частичным заглублением в грунт (например, методом обваловки).
Монтажные работы должны выполняться без перерывов, независимо от наличия или отсутствия пригрузочной плиты. Остановка монтажа на длительное время (более 24 часов), если резервуар частично заполнен водой или частично засыпан грунтом, категорически недопустима.
Проектирование, установка и эксплуатация очистных сооружений должны соответствовать строительным нормам, таким как СНиП 2.04.03-85, СНиП 2.04.01-85, СанПиН 2.1.5.980-00, а также региональным требованиям, например, ТСН ВиВ-97МО для Московской области.
При проектировании системы важно учитывать следующие аспекты:
  • характеристики грунта, включая его фильтрационные свойства;
  • санитарные зоны и расположение источников питьевой воды;
  • наличие карстовых пород и уровень защиты подземных водоносных горизонтов;
  • уровень грунтовых вод, особенно в период весеннего паводка и дождей;
  • нормативы санитарно-эпидемиологических служб региона;
  • удобство проведения технического обслуживания.

Монтаж резервуаров

Инструкция по монтажу изделия

3.1 Требования к месту установки:

При выборе места для монтажа следует учитывать следующие рекомендации:

  • По возможности размещайте установку ниже уровня здания, с учетом естественного уклона местности. Обеспечьте доступ ассенизационной машины для откачки осадков при необходимости. Максимальное расстояние до установки — 4–5 метров (длина стандартного шланга машины — 7 метров, включая погружение).
  • Расположите установку как можно ближе к зданию, оптимальное расстояние — 3–5 метров. Увеличение длины трассы затрудняет прочистку при засорах. Если длина трассы превышает 15 метров, необходимо предусмотреть промежуточный колодец.
  • Трасса от здания к установке должна быть максимально прямой. При невозможности прямой прокладки трассы устанавливайте дополнительные колодцы в местах изгибов.
Минимальные расстояния от очистной установки до объектов:
  • до края грунта или дороги — 5 м;
  • до водоема или ручья — 10–30 м;
  • до источников питьевой воды — 50 м;
  • до деревьев — 3 м;
  • до жилого дома — 3 м.

3.2 Подготовка котлована

3.2.1 Создание котлована
Для устройства траншеи, соединяющей выход из здания с установкой, необходимо обеспечить уклон в 1% (10 мм на каждый погонный метр). На дне траншеи выполняется выравнивание с использованием подсыпки.
Размеры котлована для установки изделия должны превышать его габариты минимум на 500 мм с каждой стороны. Это необходимо для обеспечения удобного доступа к оборудованию резервуара.

Важно!

Следует обеспечить безопасный уклон стенок котлована, строго придерживаясь требований СНиП 12-03-2001 «Охрана труда в строительстве. Часть 1» и СНиП 12-04-2002 «Охрана труда в строительстве.Часть 2. «Производственные процессы».
Глубина котлована с песчаной подушкой толщиной 15–20 см определяется с учетом габаритов изделия. Для этого необходимо учитывать такие показатели, как:

  • расстояние от уровня поверхности до нижней точки трубы, подведенной к изделию;
  • расстояние между нижней частью входного патрубка и нижней границей изделия;
  • высота песчаной подушки, уложенной на дно котлована, с учетом пригрузочной плиты, если она предусмотрена проектом.

Отклонение горизонтального уровня основания котлована допускается в пределах 5 мм на каждый метр и не более 10 мм на всю ширину или длину основания.
Отводящая труба, соединенная с выходным патрубком резервуара, должна укладываться под уклон не менее 1% (10 мм на каждый метр длины).

Монтаж резервуаров

3.3 Монтаж изделия
Если на объекте отсутствует представитель поставщика или производителя (шеф-монтаж), необходимо выполнять фото- и видеофиксацию каждого этапа работ. Эти материалы должны подтверждать соответствие качества и порядка выполнения работ требованиям данного документа. Фото- и видеоматериалы должны храниться на протяжении всего срока эксплуатации изделия.

3.3.1 Установка изделия без пригрузочной плиты

3.3.1.1 На дно котлована укладывается слой утрамбованного чистого песка толщиной не менее 15 см. Песок должен быть без крупных включений, и для предотвращения размывания или разрушения песчаной подушки обязательно обустраивается опалубка.

3.3.1.2 Емкость устанавливается на подготовленный песчаный слой.

3.3.1.3 Технический(ие) колодец(цы) (горловину) для обслуживания закрепляют на обсадное кольцо резервуара, а также устанавливают стояк для откачки (при наличии), предварительно регулируя их по длине или высоте. Все коммуникации подключаются к патрубкам или фланцам изделия.

3.3.1.4 Между стенками котлована и емкостью равномерно укладывается слой чистого песка высотой 35–40 см, который затем уплотняется. Уплотнение осуществляется виброплитой, обеспечивающей глубину до 250–300 мм. При этом виброплита должна находиться на расстоянии не менее 300 мм от стенок резервуара.

3.3.1.5 Резервуар заполняется водой до одной трети его рабочей высоты.

3.3.1.6 Выполняется послойная обратная засыпка чистым песком до уровня воды в резервуаре. Толщина одного слоя не должна превышать 250 мм. Засыпка осуществляется равномерно по всему периметру с обязательным уплотнением каждого слоя. Трамбовка выполняется после полной засыпки слоя, а следующий слой добавляется только после уплотнения предыдущего.

3.3.1.7 Резервуар заполняется водой до уровня 2/3 рабочей высоты, после чего снова повторяется процесс, описанный в пункте 3.3.1.6.

3.3.1.8 Резервуар заполняется полностью, затем снова выполняется пункт 3.3.1.6.

3.3.1.9 Оставшаяся засыпка производится чистым песком, равномерно, без уплотнения, до высоты не менее 500 мм над верхней точкой емкости.

3.3.1.10 Оставшаяся часть котлована засыпается ранее извлеченным грунтом, без последующего уплотнения.

3.3.1.11 Проезд транспорта или спецтехники над установленным резервуаром без пригрузочной плиты запрещен.

Каждый вышеперечисленный этап работ должен сопровождаться фото и видеосъемкой, подтверждающей соответствие качества и порядка работ требованиям настоящего документа, при условии отсутствия на объекте представителя Поставщика/производителя (шеф-монтажные работы). Обеспечить хранение фото и видео материалов в течение всего срока эксплуатации.

3.3.2 Установка изделия с использованием пригрузочной плиты

Если уровень грунтовых вод в месте монтажа резервуара находится выше его нижней точки (дна) либо существует вероятность сезонного или техногенного подъема воды, который может привести к подтоплению выше днища резервуара, необходимо предусмотреть установку пригрузочной плиты. Это требуется для предотвращения всплытия резервуара и/или деформации его корпуса.

3.3.3 Последовательность монтажа с пригрузочной плитой

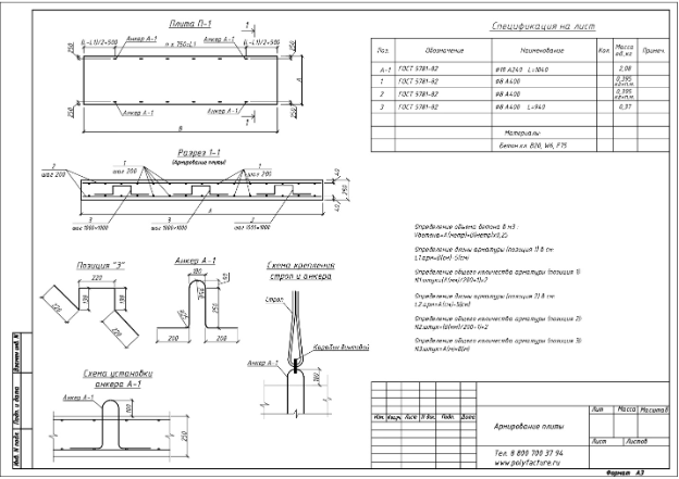
  • Изготовление пригрузочной плиты:
    На дно котлована заливается пригрузочная плита. Размеры плиты (длина и ширина) должны превышать размеры резервуара минимум на 500 мм с каждой стороны, а также быть больше длины резервуара на 1000 мм и диаметра на 1000 мм. Армирование и конструкцию плиты выполнить в соответствии с предоставленной схемой. Допустимое отклонение поверхности плиты от горизонта не должно превышать 5 мм на метр или 10 мм на всю длину/ширину.
  • Создание песчаной подушки:
    На плиту равномерно укладывается слой чистого песка толщиной 150–200 мм. Обязательно устраивается опалубка, предотвращающая размыв или разрушение подушки.
  • Установка резервуара:
    Резервуар размещается на песчаную подушку и закрепляется стропами (стяжными ремнями) шириной не менее 75 мм и грузоподъемностью от 10 тонн, с интервалом не более 750 мм. Стропы должны быть натянуты достаточно плотно, чтобы не скользить по корпусу резервуара, но при этом не вызывать его деформации.
  • Монтаж технических элементов:
    Технический(ие) колодец(цы) (горловины) устанавливаются на обсадное кольцо резервуара. Также монтируется стояк для откачки (при наличии), предварительно настраиваемый по длине или высоте.
  • Подключение коммуникаций:
    Все необходимые коммуникации подсоединяются к патрубкам или фланцам резервуара.

Дополнительные требования
Каждый этап работ фиксируется на фото и видео для подтверждения соответствия их качества и порядка требованиям документации, если на объекте отсутствует представитель поставщика или производителя (шеф-монтаж). Все материалы должны храниться на протяжении всего срока эксплуатации резервуара.

3.4 Обратная засыпка котлована и траншей системы

Для засыпки подводящих и отводящих труб используется песок, который вручную распределяют вокруг труб. Люки колодцев системы также присыпают песком вручную. Важно использовать песок без крупных включений, чтобы избежать повреждения теплоизоляции.

3.4.1 Порядок выполнения обратной засыпки резервуара

Для обратной засыпки резервуара применяется исключительно чистый песок без крупных примесей.

Работы выполняются следующим образом:

3.4.1.1 Равномерно распределить слой песка высотой 35–40 см между стенками котлована и резервуара, затем произвести его уплотнение. Для этого используется виброплита с глубиной уплотнения, указанной в паспорте оборудования, в пределах 250–300 мм.

3.4.1.2 Наполнить резервуар водой до трети его рабочей высоты.

3.4.1.3 Проводить послойную обратную засыпку резервуара чистым песком до уровня воды внутри емкости. Толщина каждого слоя не должна превышать 250 мм. Засыпку выполнять равномерно по периметру резервуара, с обязательной трамбовкой каждого слоя. Трамбование проводить по завершении укладки слоя, после чего приступать к следующему. При работе виброплитой необходимо соблюдать расстояние не менее 300 мм от стенки резервуара.

3.4.1.4 Долить воду в резервуар до 2/3 его рабочей высоты и повторить процесс, описанный в пункте 3.4.1.3.

3.4.1.5 Полностью заполнить резервуар водой и снова выполнить действия, описанные в пункте 3.4.1.3.

3.4.1.6 Засыпать резервуар чистым песком до уровня, превышающего верхнюю точку емкости не менее чем на 500 мм. Уплотнение на этом этапе не выполняется.

3.4.1.7 Оставшуюся часть котлована засыпать ранее извлеченным грунтом без проведения трамбовки.

3.4.1.8 Не допускать передвижения транспорта или спецтехники над резервуаром без установки разгрузочной плиты.

Допустима незначительная деформация резервуара при обратной засыпке, если она не нарушает герметичность корпуса.

Каждый этап работ фиксируется с помощью фото- и видеосъемки для подтверждения качества и соответствия технологии требованиям данного документа. При отсутствии представителя поставщика/производителя (шеф-монтажа) съемочные материалы должны храниться на протяжении всего срока эксплуатации.

3.4.2 Схема монтажа резервуара с пригрузочной плитой

Ниже представлена общая рекомендательная схема монтажа и устройства пригрузочной плиты. При необходимости, изменения в схему должны быть согласованы с производителем или поставщиком.

Рисунок. Схема монтажа и крепления резервуара.

Рисунок. Схема устройства пригрузочной плиты.

ВАЖНО!

Если резервуар устанавливается под проезжей частью, автостоянкой или в любом другом месте с возможным движением транспорта, необходимо обязательное обустройство разгрузочной плиты, рассчитанной на соответствующую нагрузку!

Схему и порядок устройства разгрузочной плиты необходимо согласовать с производителем.

Запрещается проезд или стоянка легкового автотранспорта, а также движение грузовых машин и спецтехники без предварительного устройства разгрузочной плиты над резервуаром.

Если резервуар размещается под автостоянкой или на участке, где возможен проезд легкового, грузового транспорта или спецтехники, требуется монтаж разгрузочной плиты с учетом необходимой нагрузки.

Все схемы устройства плиты, включая армирование и технические требования к проведению работ, подлежат согласованию с производителем резервуара.

Дополнительные требования

При установке резервуара в пешеходной зоне или на территории, где возможно нахождение людей, необходимо:

  • После завершения обратной засыпки и благоустройства огородить зону размещения резервуара, исключив доступ людей (кроме обслуживающего персонала) на весь период эксплуатации.
  • Каждый этап монтажа должен быть зафиксирован фото- и видеосъемкой, подтверждающей соответствие выполненных работ требованиям документации. Это особенно важно, если на объекте отсутствует представитель производителя (шеф-монтаж).
  • Фото- и видеоматериалы необходимо хранить на протяжении всего срока эксплуатации резервуара.

Монтаж резервуаров

4. Требования к безопасности

Конструкция резервуара выполнена из материалов, не обладающих выраженными токсичными, пожароопасными или взрывоопасными свойствами. При его обслуживании персонал обязан следовать положениям «Правил по охране труда при эксплуатации водопроводно-канализационного хозяйства» (ПОТ РН-025-2002).

Если резервуар используется для хранения питьевой воды, необходимо соблюдать следующие требования:
Перед вводом в эксплуатацию, согласно СНиП 3.05.04-85* «Наружные сети и сооружения водоснабжения и канализации», резервуар должен быть промыт (очищен) и продезинфицирован методом хлорирования. Затем проводится повторная промывка до получения положительных результатов физико-химических и бактериологических анализов воды, соответствующих нормам ГОСТ 2874-82 и требованиям «Инструкции по контролю за обеззараживанием хозяйственно-питьевой воды и за дезинфекцией водопроводных сооружений хлором при централизованном и местном водоснабжении», утвержденной Минздравом СССР.

Если показатели воды по микробиологическим или физико-химическим параметрам ухудшаются, резервуар подлежит промывке в соответствии с пунктом 2.11 «Правил технической эксплуатации систем и сооружений коммунального водоснабжения и канализации».

К обслуживанию резервуара допускаются сотрудники старше 18 лет, которые прошли медицинское освидетельствование, инструктаж и аттестацию по технике безопасности в порядке, установленном производственными и должностными инструкциями. Данные о прохождении инструктажа фиксируются в специальном журнале.

Работы, связанные со спуском в резервуар, осуществляются на основании оформленного наряда-допуска. К выполнению задач допускается бригада минимум из трех человек, прошедших инструктаж по технике безопасности. Работники должны быть снабжены специальной одеждой, предохранительными поясами с веревками и газоанализаторами.

Запрещено спускаться в резервуар без предварительного проветривания в течение 60 минут!

Резервуар предназначен для хранения чистой питьевой или технической воды, а также ливневых и хозяйственно-бытовых сточных вод.

Условия гарантии:

  1. Установка должна быть выполнена с точным соблюдением горизонтальных и вертикальных осей. Основание должно быть надежным и жестким.
  2. Температура подаваемой воды должна находиться в пределах от +5 до +50 °C.
  3. Запрещается попадание краски или строительного мусора в установку.
  4. Крайне запрещено наливать в резервуар краску или другие строительные смеси.
  5. Необходимо обеспечить фото- и видеозапись в соответствии с требованиями данного документа. Отсутствие таких материалов, подтверждающих выполнение работ согласно установленным стандартам, может привести к отмене гарантии и лишению Покупателя права на претензии к Поставщику/Производителю по качеству. Хранение фото- и видеоматериалов в течение всего срока эксплуатации обязательно.

Монтаж резервуаров Монтаж резервуаров

Монтаж резервуаров

Прайс-листы все


Отправляя заявку, вы соглашаетесь с условиями пользовательского соглашения и политикой конфиденциальности
Подпишитесь! Новости рынка, спецпредложения!

ОСТАВИТЬ ЗАЯВКУ

ЗАКАЗАТЬ ЗВОНОК